新浪微博 收藏本站 | 在线留言 | 网站地图 上海唯勒斯传动科技有限公司品牌"VELEZS"专业生产减速机_减速箱_减速器_减速电机_减速马达,位于上海的减速机生产厂家
咨询热线: 13166350168 微信同号

热门关键词: 减速机维修 | SEW减速机 | 弗兰德减速机 | 诺德减速机 | 西门子减速机 | 伦茨减速机 |

减速机型号
当前位置: 首页 > 新闻中心 > 资讯 > 减速机型号 » WSF30-400-S(B)减速电机

WSF30-400-S(B)减速电机

文章出处:互联网 责任编辑:小编 发布时间:2024-09-24 21:05:32 点击数:382 -    【

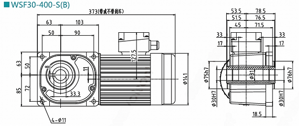
                   WSF30-400-S(B)减速电机
在挑选或购买减速电机时,许多用户可能会对型号标识感到困惑。若对 WS表示直交轴减速机的系列
F表示减速电机是法兰空心轴
30表示出轴直径或孔径的尺寸
400表示减速电机的额定输出功率
S表示减速电机的电源是三相
B表示减速电机的刹车的附加装置
若您对该型号减速马达的安装图纸有需求,欢迎通过右侧的客服窗口或底部的样本下载进行咨询和下载。
WSF30-400-S(B)减速电机