新浪微博 收藏本站 | 在线留言 | 网站地图 上海唯勒斯传动科技有限公司品牌"VELEZS"专业生产减速机_减速箱_减速器_减速电机_减速马达,位于上海的减速机生产厂家
咨询热线: 13166350168 微信同号
谐波RV机器人关节减速机
当前位置: 首页 > 公司产品 > VELEZS减速机 > 谐波RV机器人关节减速机 » A系列摆线针轮RV关节减速机

A系列摆线针轮RV关节减速机详细信息 /Detailed Information

    prev next

    A系列摆线针轮RV关节减速机


    减速机规格: A系列摆线针轮RV关节减速机
    减速机型号:120BX 150BX 190BX 220BX 250BX 280BX 320BX 370BX
    减速机比数:对应比数
    减速机可配电机:对应功率
    应用范围:机器人,分割器代替的场所。
    订购热线: 13166350168

    关键词:A系列摆线针轮RV关节减速机,关节减速机,机器人用减速机,机器人关节减速机

    A系列摆线针轮RV关节减速机-特点:
    1.小于1弧-分的背隙 
    2.强抗扭刚度,体积紧凑 
    3.零部件同轴式实现更多设计灵活性 
    4.更大推力和悬臂式动量的集成式角轴承 
    5.高减速比(大至250:1)且不增加减速机尺寸 
    6.大转矩至5X额定转矩(紧急停止) 

    7.标准同轴机器人减速机在非常紧凑和高精度零部件配置下性能卓越。部件包含滚动接触部件,以实现较高效率和较长使用寿命,集成式角轴承支持外部负载,而且两减速设计在提高减速比的同时减少了震动和惯性。 

    A系列摆线针轮RV关节减速机图片

    RV摆线减速机 (5)

    A系列摆线针轮RV关节减速机零部件图:

    部件图

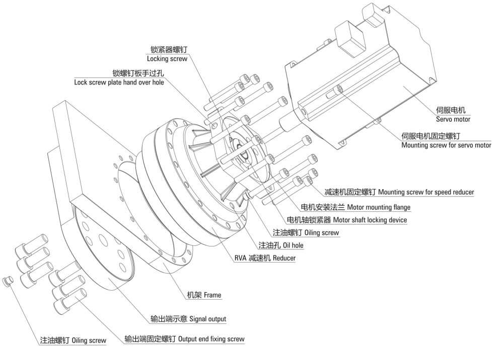
    A系列摆线针轮RV关节减速机安装图

    安装图

    1


    跟此产品相关的产品 / Related Products

    联系我们
    全国咨询热线

    13166350168

    微信13166350168

    传真:

    邮箱:

    地址: 上海市奉贤区岚丰路1150号3幢1154E室